 
                        Entrer en contact


• Changement de travail rapide
• Entraînement par courroie trapézoïdale nervurée
• Capacités de travail multi-types
• Avec bump & turn intégré permet de tourner les cartons à 90º et son alignement
• Section inférieure extra-longue avec système de verrouillage par collision
• Section supplémentaire de pliage et de fermeture avec support central pliable
• Convient aux cartons droits, à fond verrouillé, à 4 et 6 coins et plus
| MODÈLE | 650 | 800 | 1100 | 
| Matériau en papier | Carton 210-800 g/m², cannelure B/N/E/F | ||
| Vitesse maximale | 400 m/min | ||
| Épaisseur maximale de la boîte pliée | 12 MM | ||
| Mode de pliage | Le pli 1 et le pli 3 sont à 180° et 135°, le pli 2 et le pli 4 sont à 180° | ||
| Alimentation électrique | 3P 380V 50HZ | ||
| Largeur du blanc | 650 MM | 800 MM | 1100 MM | 
| Longueur X Largeur X Hauteur | 13 X 1,3 X 1,3 M | 15 X 1,5 X 1,3 M | 15 X 1,8 X 1,3 M | 
| Poids net | 5,5 T | 7,5 T | 8 T | 
| Puissance totale | 28,6 kW | 31,18 kW | 31,18 kW | 

| Section d'alimentation ·Entraînement par moteur à fréquence variable et |  | 
| Section Aligneur ·Correction de l'alimentation du papier |  | 
| Section de pré-pliage·Première ligne de pliage 180°, troisième ligne de pliage 135° pré-pliage |  | 
| Section inférieure du Crash Lock·Panneau de ceinture supérieur de type sectionnel avec conception spéciale. |  | 
| Cuve de collage inférieure ·Grand volume. |  | 
|  | Appareil 4/6 coins ·Système de pliage électronique du dossier motorisé et non temporisé | 
|  | Section de pliage et de fermeture ·Porte-bagages central pliable par système pneumatique | 
|  | Trombone ·La ceinture peut être ajustée séparément. | 
|  | Mise au carré de la boîte·Collecte continue et automatique des boîtes | 
|  | Convoyeur ·Équipé d'une ceinture éponge supplémentaire spéciale pour | 
|  | Système de pulvérisation ·Équipé de trois canons | 
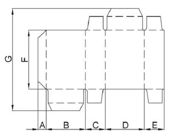
| Boîte en ligne droite | 
 | |||
| Mode de pliage | Deux portages | Trois portées | ||
| Modèle | Type 650 | Type 800 | Type 1100 | |
| B+C+D+E | 130-650 | 140-800 | 200-1100 | |
| C+D (Min) | 65 | 70 | 100 | |
| F | 70-800 | 70-800 | 70-800 | |
| G (Max) | 800 | 800 | 800 | |
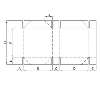
| Coffre inférieur Crash Lock | 
 | |||
| Mode de pliage | Deux portages | Trois portées | ||
| Modèle | Type 650 | Type 800 | Type 1100 | |
| B+C+D+E | 130-650 | 140-800 | 200-1100 | |
| C+D (Min) | 65 | 70 | 100 | |
| F | 70-800 | 70-800 | 70-800 | |
| G (Max) | 800 | 800 | 800 | |
| H (Min) | 25 | 25 | 25 | |
| L | 30-100 | 30-100 | 30-100 | |
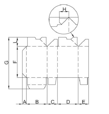
| Boîte à 4 coins | 
 | |||
| Mode de pliage | Deux portages | Trois portées | ||
| Modèle | Type 650 | Type 800 | Type 1100 | |
| A+B+C | 120-650 | 120-800 | 120-1100 | |
| B (Min) | 65 | 65 | 75 | |
| F | 70-800 | 70-800 | 70-800 | |
| G (Max) | 800 | 800 | 800 | |
| H (Min) | 25 | 25 | 25 | |
| L | 30-100 | 30-100 | 30-100 | |
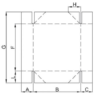
| Boîte à 6 coins | 
 | |||
| Mode de pliage | Deux portages | Trois portées | ||
| Modèle | Type 650 | Type 800 | Type 1100 | |
| A+B+C+D+E | 210-650 | 210-800 | 210-1100 | |
| B (Min) | 90 | 90 | 90 | |
| C (min) | 30 | 30 | 30 | |
| F | 70-800 | 70-800 | 70-800 | |
| G (Max) | 800 | 800 | 800 | |
| H (Min) | 25 | 25 | 25 | |
| L | 30-100 | 30-100 | 30-100 | |

650LC-S

800LC-S

1100LC-S

Pour toute demande de devis ou de collaboration, n'hésitez pas à nous envoyer un e-mail à every@gaokemachine.com ou à utiliser le formulaire suivant. Notre représentant commercial vous contactera sous 24 heures. Merci de l'intérêt que vous portez à nos produits.
Vaste réseau de service mondial
Centres d'usinage à la pointe de la technologie
Précision exceptionnelle; Équipe expérimentée
Expertise en assemblage et conception
Machines disponibles avec options de personnalisation
Services d'installation et de maintenance efficaces
Assistance dépannage à distance
Consultation en ligne disponible 24h/24 et 7j/7
L'industrie de l'emballage évolue rapidement. Face à l'exigence de cadence, de précision et de régularité accrues des lignes de production, l'automatisation intellig...
De nombreuses personnes utilisent des pelliculeuses pour protéger ou embellir leurs produits papier, des boîtes d'emballage aux imprimés, mais peu connaissent les ét...
Une contre-colleuse à cannelures est un outil indispensable pour la production d'emballages, mais sa performance dépend fortement d'un entretien régulier. De nombreu...
GET A QUOTE